Machineboy空
[From Nand to Tetris] Project 1 (1) Elementary logic gates(Not,And, Or, Xor, Mux, DMux) 본문
Computer/CS
[From Nand to Tetris] Project 1 (1) Elementary logic gates(Not,And, Or, Xor, Mux, DMux)
안녕도라 2025. 1. 17. 15:42


https://m.blog.naver.com/junb7/222792228046
논리게이트의 종류(AND, OR, NOT, NAND, NOR, XOR, XNOR)
안녕하세요, 동반자 여러분. 이번 포스트는 다양한 논리게이트의 종류에 대해서 알아보시는 시간을 갖고자 ...
blog.naver.com
Elementary logic gates
1) Not
/**
* Not gate:
* if (in) out = 0, else out = 1
*/
CHIP Not {
IN in;
OUT out;
PARTS:
Nand(a= in, b= in, out= out);
}

2) And
/**
* And gate:
* if (a and b) out = 1, else out = 0
*/
CHIP And {
IN a, b;
OUT out;
PARTS:
Nand(a = a, b = b, out = temp);
Not(in = temp, out = out);
}

3) Or
/**
* Or gate:
* if (a or b) out = 1, else out = 0
*/
CHIP Or {
IN a, b;
OUT out;
PARTS:
Not(in= a, out= temp1);
Not(in= b, out= temp2);
Nand(a= temp1, b= temp2, out= out);
}

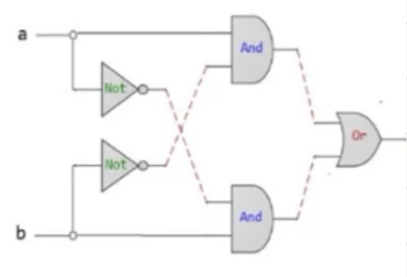
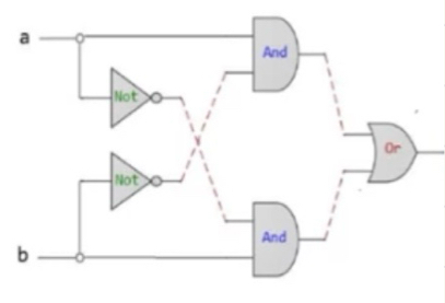
4) Xor
/**
* Exclusive-or gate:
* if ((a and Not(b)) or (Not(a) and b)) out = 1, else out = 0
*/
CHIP Xor {
IN a, b;
OUT out;
PARTS:
Not(in= a, out= notA);
Not(in= b, out= notB);
And(a= a, b= notB, out= temp1);
And(a= b, b= notA, out= temp2);
Or(a= temp1, b= temp2, out= out);
}

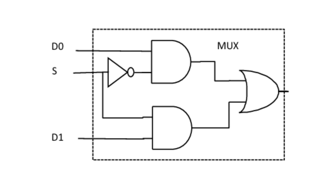
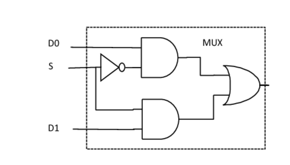
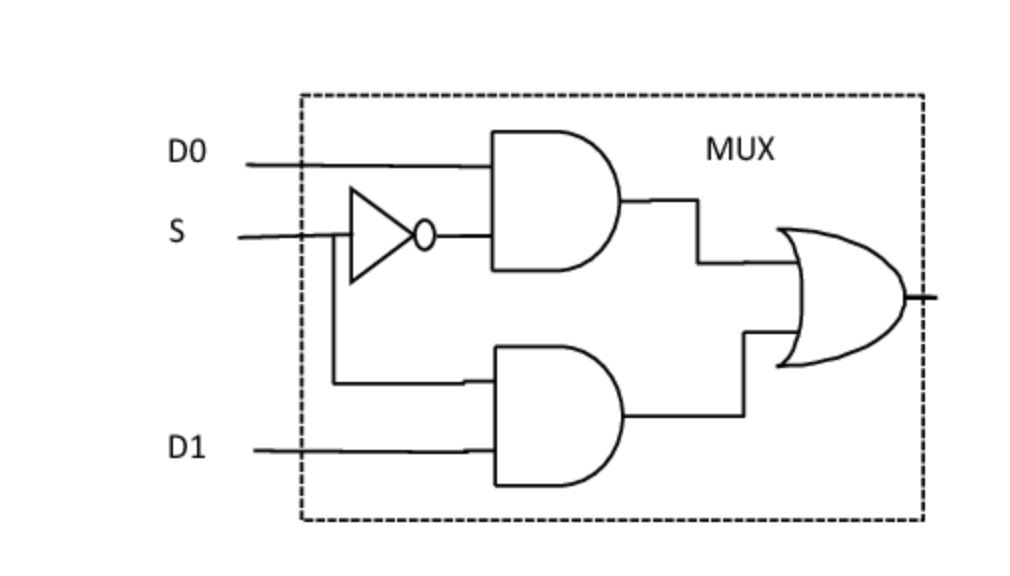
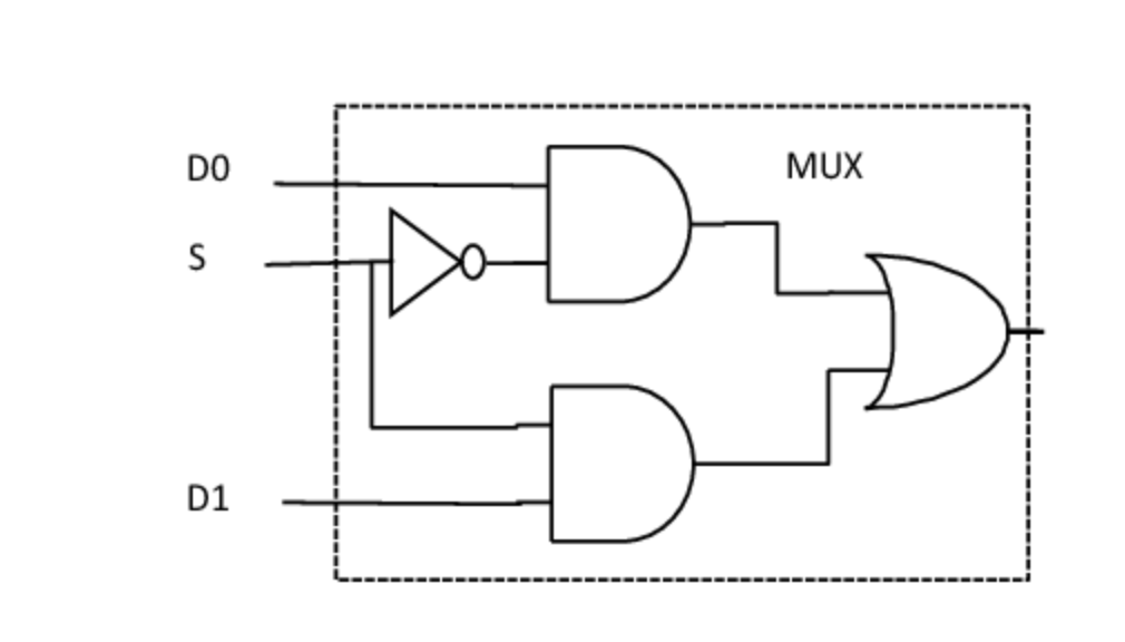
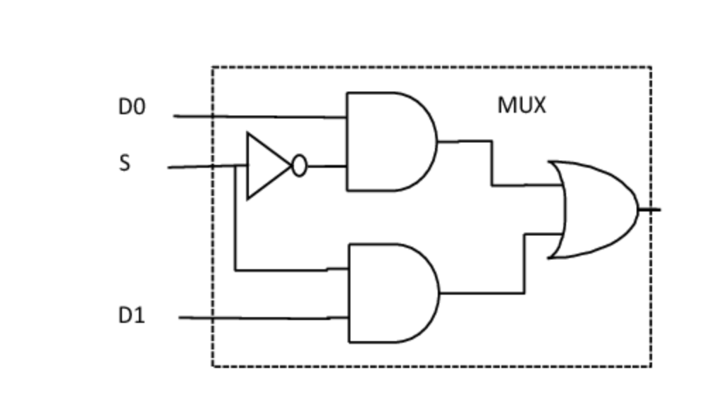
5) Mux
/**
* Multiplexor:
* if (sel = 0) out = a, else out = b
*/
CHIP Mux {
IN a, b, sel;
OUT out;
PARTS:
Not(in= sel, out= notS);
And(a= a, b=notS , out= temp1);
And(a= sel, b= b, out= temp2);
Or(a= temp1, b= temp2, out= out);
}

6) DMux
/**
* Demultiplexor:
* [a, b] = [in, 0] if sel = 0
* [0, in] if sel = 1
*/
CHIP DMux {
IN in, sel;
OUT a, b;
PARTS:
Not(in= sel, out= notS);
And(a= notS, b= in, out= a);
And(a= sel, b= in, out= b);
}
